ACS-77 Bedienungsanleitung (html)
Die original Bedienungsanleitung der ACS-77 im html-Format
BESCHREIBUNG UND BEDIENUNGSANLEITUNG
Die ACS-77 ist eine funkgesteuerte Digitaluhr. Sie empfängt das von der PTB in
Braunschweig kontrollierte Zeitsignal und gewinnt daraus die Zeit- und
Datumsinformation. Das von dem Sender DCF-77 ausgestrahlte Signal enthält die
amtliche Zeit für die BRD und genügt extrem hohen Genauigkeitsanforderungen.
Die ACS-77 verfügt über ein 12stelliges Display (6 Digit Zeit, 6 Digit
Datum). Die gesamte Steuerung der Uhr erfolgt mit einem Mikroprozessor (Zilog
Z80) mit speziell für die ACS-77 entwickeltem Programm. Sie verfügt über
eine interne Quarzuhr, die bei Senderausfall und Empfangsstörungen die Zeit-
und Datumsanzeige übernimmt. An die ACS-77 sind außerdem zwei Relais
anschließbar, die in Abhängigkeit von 20 frei programmierbaren Terminen
geschaltet werden können. Eine weitere Besonderheit ist der Steuerausgang für
einen elektronischen Gong (zeitabhängiges Stundensignal) und eine serielle
ASCII-Schnittstelle mit 300 Baud.
DAS DCF77 ZEITSIGNAL
Das von dem Sender DCF77 in Mainflingen bei Frankfurt ausgestrahlte Zeitsignal
besteht hauptsächlich aus einem 77,5kHz Träger mit aufmodulierten
Sekundenmarken. Diese Modulation erfolgt durch eine Trägerabsenkung um ca. 75%
zu beginn jeder Sekunde (außer 59. Sekunde). Diese Absenkungen sind entweder
100ms oder 200ms lang. Die 59. Sekundenmarke fehlt. Dadurch wird der beginn der
nächsten Minute übertragen. Zur Kontrolle der dekodierten Zeitmarken ist auf
der Platine der ACS-77 eine LED vorhanden. Die verschieden langen
Sekundenmarken sind gut zu erkennen, ein Flackern oder ungleichmäßiges
Leuchten der LED weist gleichzeitig auf Empfangstörungen oder auf ein
schlechtes Ausrichten der Antenne hin. Das Zeitsignal enthält außer der Zeit-
und Datumsinformation noch Prüfbits, die eine Fehlererkennung verbessern. (Die
ACS-77 führt einige weiter Prüfungen der Zeitinformation durch, so dass eine
falsche Zeitanzeige mit großer Sicherheit ausgeschlossen werden kann).
ANSCHLUSS UND AUSRICHTEN DER FERRITANTENNE
Die Ferritantenne ist zusammen mit einem HF-Vorverstärker aufgebaut. Sie wird
mit einem abgeschirmten Kabel mit dem Antennenanschluss der ACS-77 verbunden.
Achten Sie darauf, dass die Abschirmung des Kabels jeweils an den Stift mit dem
Massesymbol angeschlossen wird. Die Montage der Antenne sollte waagerecht mit
mindestens 2m Abstand zur ACS-77 erfolgen. Die Ausrichtung erfolgt am
einfachsten dadurch, dass man den aufgedruckten Pfeil in Richtung Frankfurt
stellt. Ein genaueres Ausrichten ist durch Messen der Regelspannung am
Testpunkt 4 mit einem Multimeter mit 500uA Messbereich möglich. Die beste
Ausrichtung der Antenne ist bei der maximalen Regelspannung erreicht. Führen
Sie die ersten Empfangsversuche zunächst ohne die eingesetzte Brücke am
Vorverstärker (siehe auch Hinweise auf der Antennenplatine) durch. Falls dabei
kein befriedigendes Ergebnis erreicht wird, setzen Sie die Drahtbrücke ein.
Beachten Sie aber unbedingt, dass z.B. Fernsehgeräte in der Nähe der Antenne
den Empfang beträchtlich stören können. Halten Sie deshalb einen möglichst
großen Abstand zu TV-Geräten, Starkstromleitungen etc. ein.
ANSCHLUSS DER NETZTEILPLATINE UND DES NETZTRAFOS
Zunächst wird der Netztrafo (nicht im Lieferumfang enthalten) mit der
Netzteilplatine verbunden. Als Trafo ist ein Typ mit einer Ausgangsspannung von
10,5V bis 12V bei 0,8A bis 1A geeignet. Wir empfehlen die Verwendung des zur
ACS-77 passenden Trafos. (siehe Angebot). Nehmen Sie den Trafo und die
Netzteilplatine in Betrieb. Messen Sie möglichst die 5V-Versorgungsspannung
mit einem Multimeter nach. Sie sollte zwischen 4,75V und 5,25V liegen. Bei
großen Abweichungen ist in jedem Fall eine Rückfrage erforderlich! Nur wenn
die Messung in diesem Bereich liegt, darf die Netzteilplatine mit der ACS-77
verbunden werden. Dazu wird aber zunächst der 2200uF Elko entladen. (Netztrafo
abschalten, Elko mit einem Widerstand 10R bis 100R entladen). Stellen Sie dann
die drei Verbindungen (Masse, +5V, +12V) zwischen Netzteil und ACS-77 her. Das
Netzteil der ACS-77 kann direkt mit zwei Abstandsbolzen (!) hinter der ACS-77
Platine montiert werden. Es ist nur auf ausreichende Kühlung zu achten.
INBETRIEBNAHME DER ACS-77
Ca. 2 Sekunden nach dem Einschalten des Netztrafos erscheint auf der oberen
Anzeige 'ACS-77'. Innerhalb der nächsten 20 Sekunden sollte, bei guter
Ausrichtung der Antenne, die Kontroll-LED im Sekundentakt blinken. Danach
braucht die ACS-77 zwei volle Minuten einen einwandfreien Empfang der
Zeitinformation für die Anzeige und Übernahme. (Durch zwei Minuten
Fehlerfreiheit wird die Sicherheit gegen Falschanzeige durch Doppelfehler
wesentlich erhöht). Sobald die ACS-77 die Zeitinformation für ausreichend
geprüft hält, erscheint die Uhrzeit und das Datum im Display. Durch kurzen
Druck auf die Taste 'SET' kann die Datumsanzeige auf Wochentagsanzeige
umgestellt werden. Dabei gilt Montag als 1, Dienstag als 2 usw. Ein weiterer
kurzer Druck auf die Taste 'SET' stellt die Anzeige wieder auf Datumsanzeige
zurück. Empfangsstörungen oder Fehler werden durch das Aufleuchten aller
Dezimalpunkte in der Datums- oder Wochentagsanzeige dargestellt. Gleichzeitig
erfolgt die automatische Umschaltung auf die interne Quarzuhr. (Selbst diese
Quarzuhr verfügt über eine automatische Datumsweiterschaltung mit
Berücksichtung der Schaltjahre). Sobald der Empfang wieder einwandfrei ist,
wird wieder automatisch auf DCF-Zeit zurückgeschaltet. (Es leuchten nur noch
zwei Dezimalpunkte in der Datumsanzeige).
ANSCHLUSS DER RELAIS
An die beiden Anschlüsse 'R1' und 'R2' können zwei Relais (12V max. 150mA)
angeschlossen werden. Die Relaisspulen werden zwischen '+12V' und 'R1' bzw.
'R2' angeschlossen. Die notwendigen Freilaufdioden zur Vermeidung von
Störspitzen sind auf der Platine der ACS-77 bereits vorhanden. Das Eingeben
der Ein- und Ausschaltzeit ist im Abschnitt 'Programmierung der Schaltzeiten'
beschrieben.
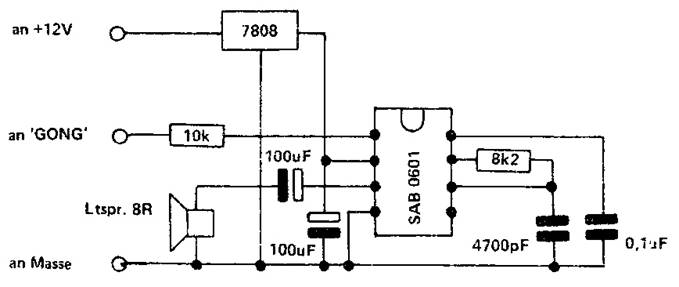
GONG - AUSGANG
Der Steuerausgang 'GONG' dient zur Ansteuerung eines elektronischen Gongs.
Dabei wird zu jeder
vollen Stunde eine der Uhrzeit entsprechende Folge von Gongtönen erzeugt. (Um
3 Uhr 3 Gongtöne, um 4 Uhr 4 Gongtöne etc. und um 17 Uhr 5 Gongtöne, um 18
Uhr 6 Gongtöne etc.) Verwenden Sie möglichst die angegebene Schaltung zur
Erzeugung des Gongtones. Der Ausgang führt im Ruhezustand TTL-LOW-Pegel und
geht bei Erreichen einer vollen Stunde auf TTL-HIGH-Pegel. Dies ist der erste
Gongimpuls. Danach folgt alle zwei Sekunden ein weiterer Impuls, entsprechend
der Uhrzeit.

SCHALTBILD ELEKTRONISCHER GONG
ASCII - AUSGANG
Am ASCII - Ausgang steht einmal pro Sekunde die komplette Zeitinformation an.
Die Daten entsprechen dem V.24 Datenprotokoll. Die Übertragungsgeschwindigkeit
beträgt 300 Baud. Die dreizehn Ziffern werden in folgender Reihenfolge
ausgegeben:
1. | Sekunden Einer
2. | Sekunden Zehner
3. | Minuten Einer
4. | Minuten Zehner
5. | Stunden Einer
6. | Stunden Zehner
7. | Tages Einer
8. | Tages Zehner
9. | Monats Einer
10. | Monats Zehner
11. | Jahres Einer
12. | Jahres Zehner
13. | Wochentag ("1"=Montag)
- | Pause
| (kein <LF> oder <CR>)
z.B. Dienstag, der 20.12.1983 um 13:23:41 Uhr => "1432310221382" Pause
"2432310221382"
Pause usw.
Die bitweise Codierung der Zeichen erfolgt in der Reihenfolge:
1. | 0 Startbit
2. | Datenbit 0 LSB
3. bis | Datenbits 1 bis
8. | 6
9. | Datenbit 7 MSB
10. | 1 Stopbit
11. | 1 Stopbit
Der Ruhepegel ist +3V (TTL-Pegel, Logisch 1)
PROGRAMMIERUNG DER SCHALTZEITEN
Beim Programmieren der Schaltzeiten verschwindet das Datum aus der
Datumsanzeige und es erscheint links eine zweistellige Ziffer, die angibt
welcher Termin eingestellt werden soll. Die mittleren beiden Ziffern zeigen an,
welcher Teil des Termins (z.B. Minuten oder Monat) eingestellt werden soll. Die
rechten beiden Stellen zeigen die dazugehörige Zeit bzw. den dazugehörigen
Wert.
Beim Drücken der Taste 'MODE' erscheint in der Datumsanzeige '00'. Wenn jetzt
die Taste 'SET' gedrückt wird werden alle Wecktermine gelöscht und beide
Relais abgeschaltet. Danach erscheint wieder das Datum in der Anzeige (bzw. der
Wochentag).
Wird statt der Taste 'SET' die Taste 'MODE' noch einmal betätigt, erscheint im
Display '01". Dies ist der erste Wecktermin. Durch weiteres Drücken der
Taste 'MODE' werden alle Wecktermine durchgezählt. (1.Termin bis 20.Termin).
Erscheint der gewünschte Termin (z.B. Termin 1) im Display, so wird zum
Einstellen die Taste 'SET' kurz gedrückt. In der mittleren Digitgruppe
erscheint ein Code für den Teil der Weckzeit, welcher jetzt eingestellt wird.
Gleichzeitig erscheint in der rechten Digitgruppe der Wert dieses
Weckzeitteiles.
Für die mittlere Digitgruppe gilt dabei folgende Codierung:
1 Sekunden | 5 Monat
2 Minuten | 6 Jahr
3 Stunden | 7 Wochentag (1-7)
4 Tag (Datum) | 8 Relais-Codierung
Die dazugehörigen Ziffern der rechten Digitgruppe geben den Wert dieses
Weckzeitteils an. Diese Ziffern werden mit der Taste "SET" fortgeschaltet.
Ein längerer Druck auf die Taste "SET" bewirkt ein Durchlaufen der jeweils
möglichen Zahlen. Steht in der rechten Digitgruppe """, so wird dieser
Teil der Zeit bei der Erkennung der Schaltzeit nicht berücksichtigt. Wird z.B.
der Wochentag und das Datum jeweils mit angegeben, so wird jeden Tag geweckt.
Nach dem Einschalten der ACS-77 oder nach dem Löschen aller Termine steht bei
allen Weckzeitwerten """. Nur beim Relaiscode steht der Sondercode '00'.
Dieser neutrale Relaiscode bewirkt keine Veränderung des Relaisstatus.
Für die Relaiscodierung '8' gilt folgende Schaltcodierung:
00 (Neutraler Relaiscode)
01 Relais 1 ausschalten 11 Relais 1 einschalten
02 Relais 2 ausschalten 12 Relais 2 einschalten
03 Relais 1 und 2 ausschalten 13 Relais 1 und Relais 2 einschalten
Die Rückkehr zur normalen Uhrzeit nach dem Einstellen der Termine erfolgt
durch gleichzeitiges Drücken der Tasten 'MODE' und 'SET'. Dazu wird, während
'MODE' gedrückt ist, kurzzeitig auch 'SET' gedrückt.
BEISPIELE ZUR SCHALTZEITPROGRAMMIERUNG
Nachfolgend werden einige Beispiele für die Programmierung der ACS-77
angegeben. Lesen Sie aber unbedingt vorher den Abschnitt 'Programmierung der
Schaltzeiten' genau durch. Der logische Aufbau des Programmiervorgangs ist dann
leichter verständlich. Bei den folgenden Beispielen wird von dem aktuellen
Datum 24.12.83 ausgegangen.
1. Beispiel: Löschen aller Programmierten Zeiten
TASTE ANZEIGE BEMERKUNG
24.12.83 Aktuelles Datum 24.12.83
MODE 00 Mode '0' Vorbereiten zum Löschen aller Termine
SET 24.12.83 Alle Schaltzeiten sind gelöscht, es erscheint wieder
das aktuelle Datum
2. Beispiel: Schalte Relais 1 am 30.12.83 um 18:30:00 ein
TASTE ANZEIGE BEMERKUNG
24.12.83 Aktuelles Datum 24.12.83
MODE 00 Mode '0'
MODE 01 Schaltzeit 1
SET 01 1 -- Sekunden einstellen
SET 01 1 00 Sekunden stehen auf '00'
MODE 01 2 -- Minuten einstellen
SET 01 2 30 SET drücken, bis der Wert '30' für die Minuten erreicht ist.
MODE 01 3 -- Stunden einstellen
SET 01 3 18 SET drücken, bis der Wert '18' für die Stunden erreicht
ist.
MODE 01 4 -- Tag (Datum) einstellen
SET 01 4 30 SET drücken, bis der Wert '30' für den Tag erreicht ist.
MODE 01 5 -- Monat einstellen
SET 01 5 12 SET drücken bis der Wert '12' für den Monat erreicht ist.
MODE 01 6 -- Jahr einstellen
SET 01 6 83 SET drücken, bis der 'Wert '83' für das Jahr erreicht ist.
MODE 01 7 -- Wochentag einstellen. (Bei diesem Beispiel nicht nötig, da ja bereits das genaue Datum und damit auch der Wochen
tag angegeben wurde).
MODE 01 8 00 Relaiscode einstellen, (hier steht jetzt noch der Sondercode '00').
SET 01 8 11 SET drücken bis Relaiscode '11' erscheint.
(Relais 1 einschalten).
MODE 24.12.83 Rückkehr zur aktuellen Datumsanzeige.
+ SET
3. Beispiel: Schalte Relais 2 zu jeder vollen Minute für 10 Sekunden ein
TASTE ANZEIGE BEMERKUNG
24.12.83 Aktuelles Datum 24.12.83
TASTE
MODE 00 Mode '0'
MODE 01 Schaltzeit 1 (ist schon mit Beispiel 1 belegt)
MODE 02 Schaltzeit 2 (frei)
SET 02 1 -- Sekunden einstellen
SET 02 1 00 Sekunden auf "00" gestellt
MODE 02 2 -- Minuten einstellen (steht schon richtig - auf ignorieren)
MODE 02 3 -- Stunden einstellen (steht schon richtig - auf ignorieren)
MODE 02 4 -- Tag einstellen (steht schon richtig - auf ignorieren)
MODE 02 5 -- Monat einstellen (steht schon richtig - auf ignorieren)
MODE 02 6 -- Jahr einstellen (steht schon richtig - auf ignorieren)
MODE 02 7 -- 'Wochentag einstellen (steht schon richtig - auf ignorieren)
MODE 02 8 00 Relaiscode einstellen (jetzt noch Sondercode)
SET 02 8 12 SET drücken bis Relaiscode '12' (Relais 2 ein) erscheint
MODE 03 Schaltzeit 3
SET 03 1 -- Sekunden einstellen
SET 03 1 10 SET drücken bis der Wert '10' erscheint
MODE 03 2 -- Minuten einstellen (steht schon richtig - auf ignorieren)
MODE 03 3 -- Stunden einstellen (steht schon richtig - auf ignorieren)
MODE 03 4 -- Tag einstellen (steht schon richtig - auf ignorieren)
MODE 03 5 -- Monat einstellen (steht schon richtig - auf ignorieren)
MODE 03 6 -- Jahr einstellen (steht schon richtig - auf ignorieren)
MODE 03 7 -- Wochentag einstellen (steht schon richtig - auf ignorieren)
MODE 03 8 00 Relaiscode einstellen (jetzt noch Sondercode)
SET 03 8 02 SET drücken bis Relaiscode '02' (Relais 2 aus) erscheint
M + S 24.12.83 aktuelles Datum 24.12.83 erscheint wieder
In diesem Beispiel wurde gezeigt, wie man durch bestimmtes ignorieren
verschiedener Schaltkriterien die Schaltzeiten ganz universell programmieren
kann. Dies ist bei Schaltuhren eine ausgesprochene Besonderheit.
4. Beispiel: Schalte Relais 1 jeden Morgen um 6:30 Uhr ein und um 6:40 Uhr
wieder aus
TASTE ANZEIGE BEMERKUNG
24.12.83 Aktuelles Datum 24.12.83
TASTE MODE 00 Mode '0'
MODE 04 MODE drücken, bis Schaltzeit '4' erreicht ist
SET 04 1 -- Sekunden einstellen
SET 04 1 00 Sekunden auf '00' stellen
MODE 04 2 -- Minuten einstellen
SET 04 2 30 SET drücken bis Wert '30' für die Minuten erreicht ist.
MODE 04 3 -- Stunden einstellen
SET 04 3 06 SET drücken bis Wert '06' für die Stunden erreicht ist
MODE 04 4 -- Tag einstellen (steht schon richtig - auf ignorieren)
MODE 04 5 -- Monat einstellen (steht schon richtig - auf ignorieren)
MODE 04 6 -- Jahr einstellen (steht schon richtig - auf ignorieren)
MODE 04 7 -- Wochentag einstellen (steht schon richtig - auf ignorieren)
MODE 04 8 00 Relaiscode einstellen
SET 04 8 11 SET drücken bis Relaiscode '11' (Relais 1 ein) erreicht ist
MODE 05 Schaltzeit 5
SET 05 1 -- Sekunden einstellen
SET 05 1 00 Sekunden auf '00' stellen
MODE 05 2 -- Minuten einstellen
SET 05 2 40 SET drücken bis Wert '40' für die Minuten erreicht ist
MODE 05 3 -- Stunden einstellen
SET 05 3 06 SET drücken bis Wert '06' für die Stunden erreicht ist
MODE 05 4 -- Tag einstellen (steht schon richtig - auf ignorieren)
MODE 05 5 -- Monat einstellen (steht schon richtig - auf ignorieren)
MODE 05 6 -- Jahr einstellen (steht schon richtig - auf ignorieren)
MODE 05 7 -- Wochentag einstellen (steht schon richtig - auf ignorieren)
MODE 05 8 00 Relaiscode einstellen
SET 05 8 01 Relaiscode '01' (Relais 1 aus) eingestellt
M + 24.12.83 aktuelles Datum 24.12.83 erscheint wieder
TERMINE ZEITWEISE UNGÜLTIG MACHEN
Falls Sie einen programmierten Termin zeitweise ungültig machen wollen,
können Sie ein weiteres aber nicht erfüllbares Schaltkriterium programmieren.
Dadurch wird dieser Schalttermin von der Uhr nie gefunden. Sie könnten z.B.
bei einem Schalttermin am 24.12.83 zusätzlich den Wochentag 'Montag = 1
programmieren. (Der 24.12.83 ist ein Samstag). Dadurch wird der programmierte
Termin nie erreicht. Um den ursprünglichen Termin wieder zu aktivieren wird
einfach der Wochentag wieder auf "--" oder aber auf 'Samstag =6" gesetzt.
BESONDERHEITEN BEI DER MONTAGE IM GEHÄUSE
Bei der Montage der ACS-77 ist unbedingt wichtig auf ausreichende Kühlung der
Hauptplatine und des Netzteils zu achten. (Auf der Hauptplatine werden
hauptsächlich die Segmentwiderstände warm, bei der Netzteilplatine erwärmen
sich der Kühlkörper und die Dioden). Außerdem muss darauf geachtet werden,
dass beim Einbau in ein Gehäuse keine Leiterbahnen irgendwelche Gehäuseteile
berühren können. Gleiches gilt auch bei der Montage der Netzteilplatine
(hinter der Hauptplatine).
TRAFOSPANNUNG
Die genaue Einhaltung der Trafospannung ist besonders wichtig. Bei zu geringer
Trafospannung (unter 10,5V eff.) wird der Empfänger nicht einwandfrei
arbeiten, da die Versorgungsspannung vom Regler (8V) nicht richtig stabilisiert
wird, während bei zu hoher Trafospannung die Verlustleistung am 5V - Regier
und an den Segmentwiderständen sich zu sehr erhöht. Die Versorgungsspannung
von mindestens +12V wird bei dem 10,5V Trafo dadurch erreicht, dass sich der
Ladeelko auf den Spitzenwert der gleichgerichteten Wechselspannung auflädt.
BESONDERHEITEN BEIM FERTIGGERÄT
Zur Inbetriebnahme des Fertiggerätes ist lediglich der zweipolige
Antennenstecker auf die Vorverstärkerplatine aufzustecken (beachten Sie dabei
bitte, dass die abgewinkelten Steckerlötösen zum Platinenrand zeigen) und der
Netzstecker in eine Steckdose einzustecken. Beim Ausrichten des Antennenstabes
beachten Sie bitte den entsprechenden Anleitungspunkt. Die Eurosteckdosen an
der Rückseite des Gerätes werden von den eingebauten Relais ein- bzw.
ausgeschaltet Die obere Steckdose wird von Relais 1 und die untere Steckdose
wird von Relais 2 geschaltet. Die Programmierung der Schaltzeiten entnehmen Sie
bitte dem entsprechenden Anleitungspunkt. Die max. Anschlussleistung an den
Steckdosen beträgt 500W (Netzkabel 2.5A/220V). Die elektronische Gongschaltung
ist nachrüstbar. Bitte fragen Sie bei Bedarf an. Achten Sie bitte darauf, dass
die Lüftungsschlitze der Rückwand nicht verdeckt werden.
GARANTIEHINWEISE
Jede ACS-77 wird mit einem Rechnersystem kontrolliert. Außerdem verfügt die
Uhr über ein eingebautes Prüfprogramm, was vom Hersteller aktiviert werden
kann. Sie können also davon ausgehen, dass die ACS-77 ganz besonders
ausführlich geprüft wurde. Wenn Sie die Anleitung genau befolgen, wird die
Uhr sicher sofort funktionieren. Versuchen Sie bitte nicht an der Hauptplatine
zu löten, weil dadurch sehr wahrscheinlich Bauteile oder Leiterbahnen
beschädigt werden und eine Garantie dadurch entfällt. Beim Anschluss der
Versorgungsspannungen, der Relais und der Antenne achten Sie bitte unbedingt
darauf, dass Ihre Kabel keine Bauteile oder Leiterbahnen berühren.
NACHJUSTIEREN DES ANTENNENSTABES
Der Antennenstab ist bereits vorjustiert und muss in der Regel nur nach einem
Verstellen neu justiert werden Falls Sie das selbst machen wollen, ist der Stab
solange zu verstellen, bis das DCF-77 Signal an der Leuchtdiode erkannt wird.
Der Feinabgleich erfolgt dann durch Messung der Regelspannung am Testpunkt 4.
Dabei darf aber die Richtung des Antennenstabes nicht verändert werden. Zum
Justieren des Antennenstabes darf, die Spule nicht berührt werden. Außerdem
sollte der Abgleich mit einem Vollkunstoff-Schraubendreher erfolgen.
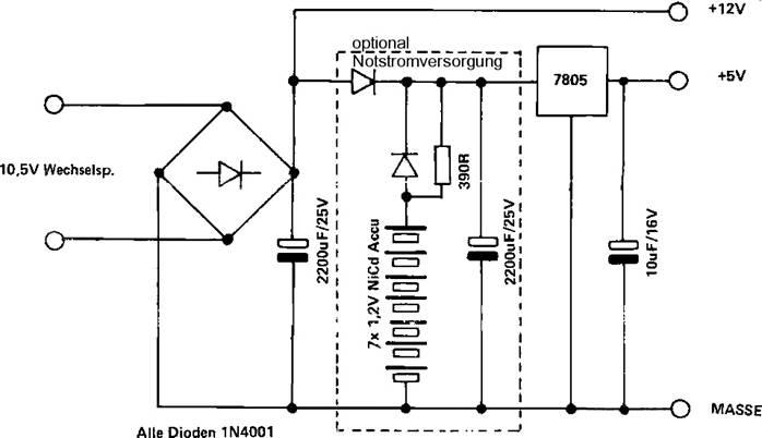
NOTSTROMVERSORGUNG FÜR DIE ACS-77
Durch eine zusätzliche Notstromversorgung der ACS-77 wird ein Verlust der
gespeicherten Termine bei einem Stromausfall vermieden. Durch die im Schaltbild
eingerahmte Ergänzung wird bei Verwendung von NC-Mignonzellen eine
Ausfallsicherung von ca. 1 Stunde erreicht. Die Akkus werden in ca. 3 Tagen
wieder voll aufgeladen. (Widerstand 390R) Für längere Ausfallsicherung
müssen evtl. NC-Babyzellen verwendet werden.
Bei einem Stromausfall verlöscht die Anzeige und evtl. eingeschaltete Relais
fallen für die Dauer des
Stromausfalls ab. Außerdem wird der Empfänger abgeschaltet. Sobald wieder
Netzspannung vorhanden ist, erscheint die Anzeige wieder, die evtl.
angesteuerten Relais ziehen wieder an und der Empfänger beginnt wieder die
Zeitinformation zu liefern. Daher läuft die Uhr während eines Netzausfalls
mit. der Quarzzeitbasis weiter. Ca. 2 Minuten nach Rückkehr der Netzspannung
kann die, ACS-77 eventuelle Differenzen der Quarzzeit zur DCF-77 Zeit wieder
korrigieren. (Diese Zeitdifferenz ist aber wegen der max.
Notstromversorgungszeit von ca. 1h bedeutungslos.)
Bei dieser einfachen Notstromversorgung ohne Akkuüberwachung kann es
allerdings bei längerem Netzausfall zur Tiefentladung der Akkus und damit auch
zu Problemen mit der ACS-77 kommen (Evtl. kein automatischer Power-On-Restart).
Allerdings sind Stromausfälle von mehr als 1 Stunde auch sehr selten.
Andernfalls muss ein erheblich höherer Aufwand getrieben werden.

GEHÄUSESATZ FÜR ACS 77
Der Gehäusesatz für ACS-77 enthält das benötigte Material zum Einbau der
ACS-77-Platine in das Gehäuse. Nicht enthalten sind das Netzkabel, der Trafo,
die Eurosteckdosen und die Verbindungskabel. Für den Einbau in das Gehäuse
muss der 0,33 uF Kondensator, unterhalb des 74LS129 entfernt werden. Dadurch
wird die Funktion der ACS-77 nicht verändert. Das Netzteil wird hinter der ACS
77 Platine montiert. Verwenden Sie dazu die beigefügten Abstandsbolzen. Die
Betätigungsknöpfe werden dann von innen in die Filterscheibe eingesetzt und
die ACS-77 mit dem Netzteil bis an die eingesetzten Dübel geschoben. Danach
wird Platine durch zwei Holzklötzchen gegen ein Verschieben nach hinten
gesichert. Der Trafo HT-1/10,5 wird mit Abstandsbolzen an die Rückwand
montiert. Achten Sie unbedingt auf eine ordnungsgemäße (VDE Best.)
Netzverdrahtung.
