Pseudo Random Lauflicht
Ein Lauflichtprojekt aus dem Halbleiterheft Elektor von 1978 (Projekt Nr. 54)
Im Elektor Halbleiterheft von 1978 wurde ein "Pseudo-Random-Lauflicht vorgestellt, welches zu der Zeit mein Interesse weckte.
Ich baute es also auf einer Lochrasterplatine auf und schloss eine 9V Batterie - und schon fing das Lauflicht scheinbar zufällig an zu laufen.
Da ich aber nicht immer eine Batterie anschließen wollte, nahm ich ein altes Netzteil und schloss dies dann an die Schaltung an -
da wurde ich enttäuscht, denn das Lauflicht fing nicht wie gewohnt an zu laufen, sondern es passierte nichts.
Warum war das so?
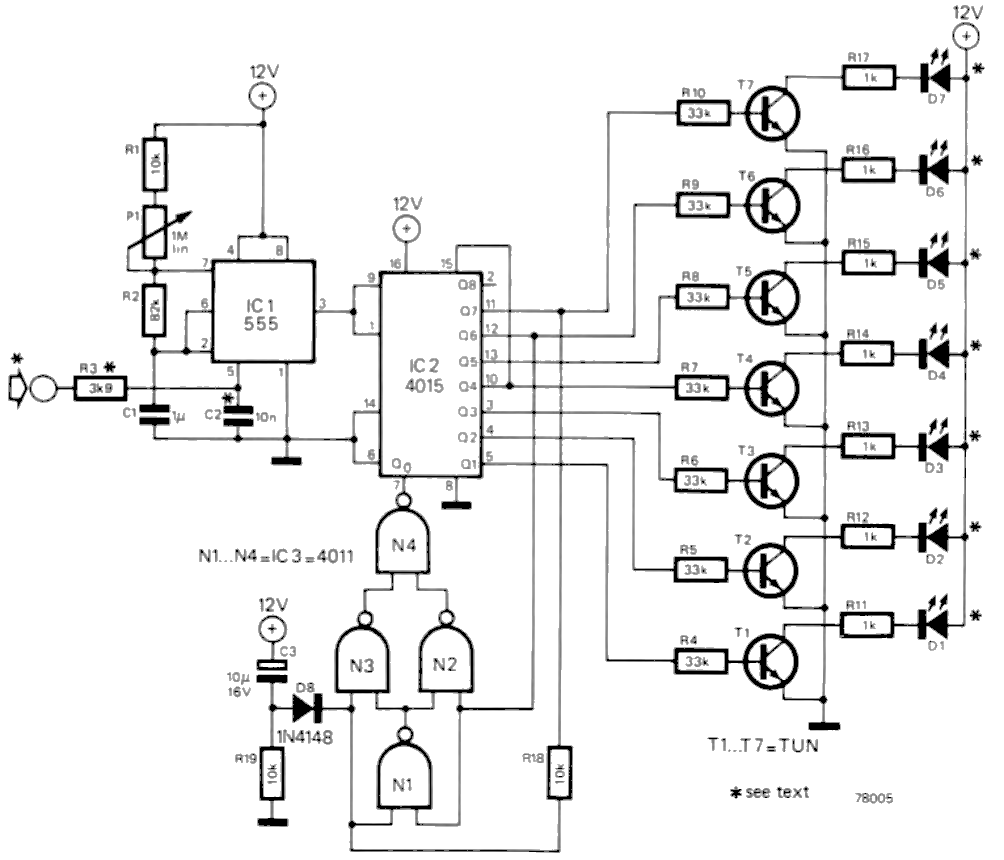
Die Schaltung ist an sich relativ simpel: Ein NE555 ist ein Taktgeber mit P1 zur Geschwindigkeitseinstellung. Das Taktsignal wird an ein 4015
(Dual Shiftregister) geleitet (Clock, Pin 1 und Pin 9 des 4015). Ausgang Q4 des ersten Schieberegisters wird mit dem Datapin (Pin 15 des 4015) verbunden, so dass die beiden Schieberegister in Reihe
geschaltet sind. Der Datapin (Pin 7 des 4015) wiederum bekommt über ein XOR-Gatter (hier aufgebaut mit NANDs) sein Signal, welches sich aus Ausgangssignalen Q6 und Q7
zusammen setzt (Pin 7 = Q6 xor Q7). Nun ist aber das Problem, dass es ein Startsignal an Pin 7 geben muss, da sonst die Schieberegister nur Nullen weiter schieben und somit
keine der Leuchtdioden leuchten. Dafür wurde C3, R19, D8 verwendet. Beim Einschalten wird kurzzeitig über C3 und D8 ca. 12V an das XOR-Gatter geleitet, was wiederum bedeutet,
dass der Ausgang des XOR auf "high" geht und somit den Startimpuls gibt. Voraussetzung ist aber auch, dass am rechten Eingangspin von N2 / N1 ein "low" anliegt.
Nach dem wird also zunächst eine "1" weitergeschoben, da aber die Ausgänge Q6 und Q7 ein "low" ausgeben, wird beim nächsten Tanksignal eine "0" erzeugt und durch die Schieberegister
geschoben, bis an den genannten Ausgängen Q6 und Q7 unterschiedliche Zustände vorhanden sind (Also "low" "high" oder "high" low"). Bei Unterschiedlichen Zuständen an Q6 und Q7
wird dann also eine "1" durch die Schieberegister geschoben usw. . Oben rechts sieht man an den Leuchtdioden, wei das Lauflicht die einzelnen Phasen bis zum Ende durchläuft und
dann von vorne beginnt.
Die benannte R/C/D-Kombination ist jedoch nicht zuverlässig genug, so dass da eine andere Lösung her muss: Aufbau des Lauflichts mittels Microcontroller.
Unten ist der Originalstromlaufplan aus der Elektor zu sehen:

Bildquelle: https://archive.org
Hier nun der nachgezeichnete Stromlaufplan (Eagle 6.6.0):
