Vom Stromlaufplan zum Leiterplattenlayout (3)
Mein Artikel aus dem Embedded Journal von 2010/2011 in 5 Teilen
Technologie: Doppelseitiges Layout
Diese Technologie ist dann notwendig, wenn man mit bisherigen Verfahren nicht weiter kommt. Wenn es
also eng mit den Leiterbahnen wird oder wenn sehr viele Bauteile auf kleinem Raum Platz finden sollen,
kann man ein doppelseitige Layout erstellen.
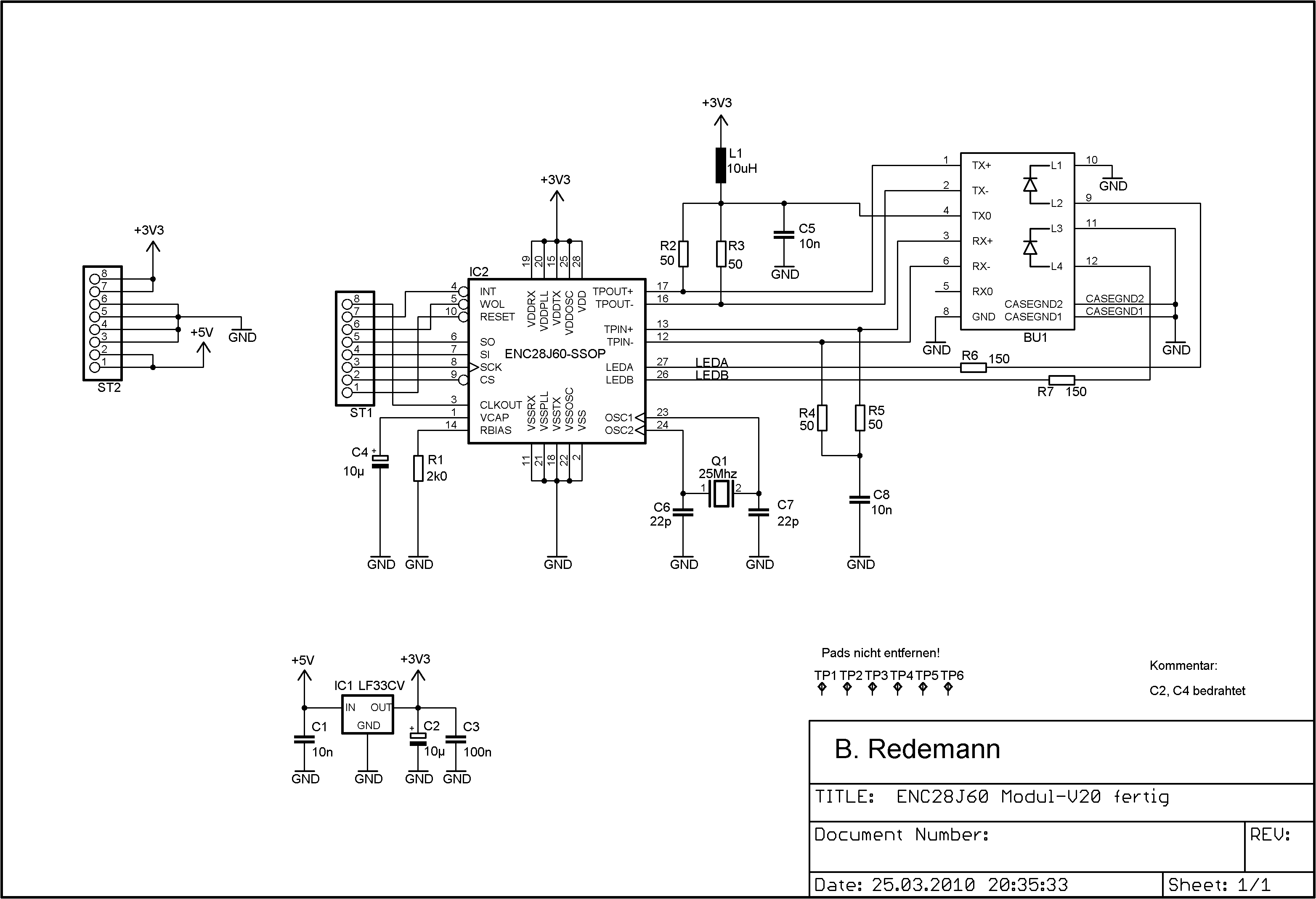
Beispiel: Ethernetmodul
Als Beispiel für ein doppelseitiges Layout soll ein Ethernetmodul mit dem bekannten ENC28J60 Controller
her halten. Die Anforderungen sollen sich wie folgt gestalten:
Modul zur Verwendung in einem Steckbrett (Rastermaß beachten)
Möglichst viele Bauteile werden als smd ausgeführt
Modul so klein wie möglich (Kosten)
Signalleitungen und die Versorgung des Controllers an Stiftleiste herausführen
Bedrahtete Bauteile sind: RJ45 Buchse, Stiftleiste, Quarz, Spannungsregler 3,3V

Die erste Platzierung der besonderen Bauteile kann
sich wie folgt gestalten (Abb. 14):

Die Verwendung in einem Steckbrett deutet darauf hin, wie die Stiftleisten platziert werden müssen.
Der Abstand (X) beträgt ein Vielfaches von 2,54mm. Daher ist es wichtig, das Raster (Grid)
entsprechend den Anforderungen einzustellen. Da der ENC28J60 der zentrale Controller in diesem
Beispiel ist, wird er in die Mitte auf der Unterseite des Boards platziert. Es gibt zwei wichtige Gründe
dafür:
1) Mehr Platz für die smd-Bauteile. BU1 und auch die noch zu platzierenden IC1 und Q1 nehmen
schon enorm viel Raum auf der Oberseite ein.
2) Kostengünstigere Herstellung, wenn automatisch bestückt und gelötet wird (bedrahtet oben, smds
unten).
Das weitere Platzieren der Bauteile erfolgt auf der Unterseite wie im ersten Beispiel. Man schaut im
Stromlaufplan, wo welches Bauteil angeschlossen ist und platziert es dann entsprechend. Da einige
Bauteile am Controller als auch an der BU1 angeschlossen sind, wird das sinnvolle Platzieren der
Bauteile etwas Zeit in Anspruch nehmen (Abb. 15). Der Versuch, die Verbindungen zwischen den
Bauteilen so kurz wie möglich zu gestalten, erweist sich hier als nicht ganz einfach. So sind z.B. die
langen Leiterbahnen von R5 und R7 zwischen RJ45 Buchse und Controller, die Quer über die Leiterplatte
verlaufen, nicht zu verhindern.

Da bei dieser Technologie beide Layer, also der Top und Bottom Layer für Leiterbahnen benutzt werden,
scheint das Routen einfacher zu sein. Aber dies kann täuschen, da gerade die Pads der smd-Bauteile
immer irgendwie im Weg stehen und außerdem gespiegelt erscheinen. So wurden nach einigen
Überlegungen die Elkos C2 und C4 als bedrahtete Bauteile ausführt, und auf der Oberseite platziert. Das
Routen erfolgt in einem kleinen Raster (z.B. 0,1 mm – 0,3 mm) und muss generell den Gegebenheiten
(Größe und Abstand der smd-Pads) angepasst werden. Das Erstellen der GND-Fläche auf der Unterseite
erleichtert auch hier das Verlegen der Leiterbahnen. Kommt es zu Engpässen auf dem Layer, ist man
gezwungen, entweder Bauteile nochmals umzuplatzieren oder mittels Durchkontaktierung (Via 2, DK) auf
den Top-Layer zu wechseln. Die Pad- und Bohrungsgröße einer DK richtet sich nach dem Platz, der
vorhanden ist. Werden die Vias kleiner als 0,3mm im Bohrdurchmesser, wird sich das allerdings auch den
Preis für die Fertigung der Leiterplatte auswirken (siehe Onlinerechner bei den Herstellern). Auf der
oberen Seite kann man z.B. eine Fläche erzeugen, die in diesem Beispiel mit dem 3,3V Netz verbunden
ist.
Das Verlegen der Leiterbahnen nimmt hier schon erheblich mehr Zeit in Anspruch als im ersten Beispiel.
Hier gilt nach wie vor: Flexibel sein und eine sinnvolle und gute Lösung Schritt für Schritt entwickeln. Auch
Geduld spielt dabei eine Rolle. Das Board sieht nun wie folgt aus (DKs in violett):
Auch für diese Technologie gibt es Richtlinien:
Bedrahtete Bauteile auf beiden Seiten zu platzieren, ist nicht üblich, da die Bestückung sehr
kostenintensiv ist (Nacharbeit per Hand). Daher umgehen.
Leiterbahnen können vom Pad aus gesehen bei bedrahteten Bauteilen auf der Ober- und/oder
Unterseite verlegt werden.
Durchkontaktierungen dienen zur Weiterleitung einer Leiterbahn auf der anderen Seite.
Drahtbrücken werden daher nicht verwendet.
Durchkontaktierungen können da gesetzt werden, wo Platz ist (auch unter bedrahteten Bauteilen
und unter smds).
smd-Bauteile sollten nur auf einer Seite liegen. Dies spart Kosten, falls die Leiterplatte
automatisch bestückt und gelötet wird.
Ist kaum Platz für die smds, z.B. auf der Oberseite, dann werden diese auf der Unterseite
platziert.
Diese Art von Leiterplatten findet man bei Kleingeräten wie Modems, einfachen Telefonen, Modulen bei
Fernsehern, Elektronikbausätzen usw. wieder.
Im nächsten Teil dieses Artikels geht es um doppelseitige smd-Bestückung, weitere Hinweise zur
Platzierung, Handhabung von Herstellerangaben bei speziellen Bauteilen und Autoroutern.