Vom Stromlaufplan zum Leiterplattenlayout (4)
Mein Artikel aus dem Embedded Journal von 2010/2011 in 5 Teilen
Das Ethernetmodul (forts.)
Das im dritten Teil besprochene Ethernetmodul wurde so gestaltet, dass sowohl bedrahtete
als auch SMD-Bauteile eingesetzt werden. Alle SMD-Bauteile wurden auf der Unterseite platziert,
während die bedrahteten Bauteile auf der Oberseite Platz finden. Aber es gibt einen Haken, wie man
vielleicht schon erkannt hat: Da das Modul zur Verwendung in einem Steckbrett eingesetzt werden soll,
müssen die beiden Stiftleisten (X1, X2) von der Unterseite eingesetzt und von oben angelötet werden.
Für den Herstellungsprozess hat das einen weiteren Arbeitsschritt zur Folge: Handbestückung (von unten)
und Anlöten (von oben) per Hand. Die folgenden beiden Bilder verdeutlichen dies:

Man kann daraus schlussfolgern: Die Auswahl der Bauteiltechnologie (SMD, bedrahtet oder beides) und
das Platzieren der Bauteile im Layout (oben und unten) haben entscheidende Auswirkungen auf die
Bestück- und Lötvorgänge der Fertigung und damit auch direkt auf die Kosten der Herstellung. Je weniger
Arbeitsschritte bei der Herstellung eines Boards notwendig werden, um so besser, da kostengünstiger.
Dies zeigt einmal mehr, welche Probleme beim Design einer Leiterplatte auftreten können und wie der
Layouter diesen Anforderungen gerecht werden muss.
Weitere Empfehlungen für das Platzieren von Bauteilen
Doch nun zurück zum Leiterplattenlayout. Generell gibt es natürlich keine Einschränkungen bei der
Bauteileplatzierung, solange die Designrules, die mechanischen, thermischen, EMV- und generellen
Vorgaben der Fertigung eingehalten werden. Oftmals ist es aber nicht ratsam, dass z.B. zentrale Bauteile
(ICs) an der Leiterplattenkante liegen, vor allem dann, wenn viel Platz auf der Leiterplatte ist und es sich
um eine einfache Schaltung handelt. Damit verbaut man sich die Möglichkeit, von allen Seiten
Leiterbahnen zu verlegen.
Auf der anderen Seite gibt es natürlich Bauteile, die
durchaus am Rand der Leiterplatte liegen können und
sollten, so z.B. Steckverbinder, Schraubklemmen, Schalter
oder Bauteile mit Kühlkörpern. Damit schließt sich der
Kreis zum Thema Servicefreundlichkeit (siehe Teil 1, „Zum
Leiterplattenlayout“), denn durch z.B. außen-liegende
Steckverbinder kann auf einfachste Weise die Schaltung
an eine Peripherie angeschlossen werden. Dabei ist vom
Layout her zu beachten, in welcher Richtung die
Anschlüsse liegen. Gerade bei Schraubklemmen kann das
dazu führen, dass man keine Leitung daran anschließen
kann, wenn die Kabeleinführung auf der falschen Seite
liegt.
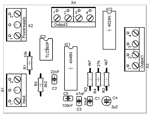
In der folgenden Abbildung ist dem Layouter (war ich das etwa?)
solch ein Fehler unterlaufen. Vergleicht man die
Schraubklemmen mit dem realen Bauteil (Abbildung 4), so
stellt man fest, dass die Kabeleinführung auf der Seite der
glatten Fäche liegt. Somit müssen nicht nur X1, X2 und X4 gedreht, sondern auch die Verbindungen im
Stromlaufplan geändert werden, was Nacharbeit bedeutet.

Bei Bauteilen, die sehr warm und/oder mit Kühlkörpern versehen werden, ist es ebenfalls meist notwendig und ratsam, diese eher am Rand als in der Mitte der Leiterplatte zu platzieren. Da alle Bauteile mehr oder weniger empfindlich auf Wärme reagieren und damit die Funktionalität einer Schaltung beeinflussen können, muss die Wärme dort abgeführt werden, wo die Bauteiledichte gering ist. Am Rand wäre das also besser als in der Mitte. Besonders wärmeempfindliche Bauteile wie z.B. Elkos sollten mit einem gewissen Abstand zu einem Kühlkörper platziert werden.